Antik DC Box Dvojstringový ATK-DC02
Rozvodná skrinka ANTIK DC BOX 2 s prepäťovou ochranou 1000V pre 2 stringy FV panelov je spoľahlivým riešením pre domácnosti aj komerčné inštalácie. Obsahuje 2 poistky proti nadprúdu, ktoré chránia oba stringy pred skratom alebo preťažením, a dvojitú prepäťovú ochranu typu T1/T2, ktorá účinne eliminuje účinky bleskových výbojov a prepäťových špičiek. Vďaka týmto prvkom poskytuje zariadenie vysokú mieru bezpečnosti, zvyšuje stabilitu prevádzky a predlžuje životnosť celej FV inštalácie.
Technické parametre DC BOXU ATK-DC02 (dvojstringový)
- Počet FV reťazcov: 2
- Počet zvodičov prepätia: 2
- Zvodič prepätia: Phoenix T1/T2
- Menovité napätie z vodiča prepätia: 1000 V DC
- Počet poistkových odpájačov: 2
- Typ poistky: valcová 10 × 38 mm
- Maximálny prúd: 16 A
- Krytie: IP65
- Záruka: 5 rokov
- Menovité izolačné napätie: 1500 V DC
- Hmotnosť: 2,20 kg
- Rozmery: 201 × 202 × 120 mm
Technické parametre poistky ATK-PV-30
- Menovité napätie (V): 1000
- Menovitý prúd (A): 16
- Rozmery (mm) D × L: 10 × 38
- Strata výkonu (W): ≤ 4,5
Technické parametre prepäťovej ochrany ATK-PV-1000
- Menovitá výbojová kapacita (8/20 μs): 40 kA
- Max. výbojová kapacita Imax (8/20 μs): 40 kA
- Úroveň ochrany Up (kV): ≤ 1,8
- Čas odozvy (ns): ≤ 25
- Menovité pracovné napätie Un (VDC): 1000
- Trvalé pracovné napätie Uc (VDC): 1000
- Unikajúci prúd (µA): ≤ 20
- Prevádzková teplota: –40 °C až +85 °C
Rozvodná skrinka ANTIK DC BOX 2 s prepäťovou ochranou 1000V na 2 stringy fotovoltických panelov predstavuje vynikajúcu voľbu pre rôznorodé aplikácie v malých a stredných podnikoch, ako aj pri domácich inštaláciách. Vďaka svojej vysokej odolnosti, pokročilým ochranným vlastnostiam a inštalačnej flexibilite poskytuje spoľahlivé a efektívne riešenie pre široké spektrum použití, čím zabezpečuje maximálnu bezpečnosť a výkon fotovoltických systémov.
DC 2 string box (prepaťová ochrana 1000V na dva stringy fotovoltiky): .PDF môžete stiahnuť TU

DC rozvádzač pre fotovoltiku s menovitým napätím do 1000 V
ANTIK DC dvojstringový box poskytuje spoľahlivú ochranu pre dva stringy fotovoltických panelov pri menovitom napätí až 1000 V DC, čím zaručuje ich dlhodobú a stabilnú prevádzku. Vstavané prepäťové ochrany typu T1/T2 účinne eliminujú riziko poškodenia spôsobeného prepätiami z priamych i nepriamych úderov blesku alebo zo spínacích špičiek. Robustná konštrukcia a kvalitné elektroinštalačné prvky znižujú riziko výpadkov a nákladných opráv, zatiaľ čo optimalizovaná vnútorná architektúra zabezpečuje spoľahlivý tok energie do striedača.
Kľúčové výhody:
- Prepäťová ochrana T1/T2 – spoľahlivá ochrana proti bleskovým výbojom aj spínacím prepätiam.
- Maximálna bezpečnosť systému – minimalizuje riziko požiaru, skratu a poškodenia FV komponentov.
- Robustná a odolná konštrukcia – vhodná aj pre náročné vonkajšie podmienky a dlhodobú prevádzku.

Dvojitá prepäťová ochrana T1/T2 a vysoká izolačná rezerva
Vnútorné zapojenie ANTIK DC BOX 2 je vybavené dvomi poistkovými odpájačmi a dvomi prepäťovými ochranami typu T1/T2, ktoré zabezpečujú stabilnú a bezpečnú prevádzku pre dva nezávislé FV stringy. Menovité izolačné napätie 400V AC a 1500V DC poskytuje dostatočnú rezervu aj pre náročnejšie inštalácie, čím sa minimalizuje riziko výpadkov a poškodenia komponentov. Vďaka spoľahlivým elektroinštalačným prvkom je tento box ideálnym riešením pre domácnosti aj komerčné fotovoltické projekty.
Parametre ochrany:
- Počet PV stringov: 2
- Počet prepäťových ochrán: 2
- Menovité izolačné napätie: 400V AC, 1500V DC

DC poistkový holder na ochranu proti nadprúdu
Poistkový holder ATK-RT132 je určený pre obvody s poistkami s menovitým jednosmerným napätím až do 1000 V DC a menovitým prúdom 16 A. Využíva sa v sériovo-paralelnom zapojení s fotovoltickými panelmi a batériami, kde poskytuje spoľahlivú ochranu proti skratu v nabíjacích meničoch a zároveň chráni FV elektrárne, invertorové aj usmerňovacie systémy.
Poistky zabezpečujú rýchlu reakciu na nárazové a skratové prúdy s prieraznou schopnosťou až 33 kA, čím výrazne zvyšujú bezpečnosť celej inštalácie. Produkt spĺňa národný štandard GB/T13539.6 aj medzinárodný štandard IEC60269-6, čo garantuje jeho vysokú spoľahlivosť a kompatibilitu v moderných fotovoltických systémoch.

Poistka (nadprúdová ochrana)
Poistková vložka je vyrobená zo strieborného pásika s variabilným prierezom, ktorý zaručuje presné a spoľahlivé prerušenie prúdu pri prekročení menovitej hodnoty. Tento pásik je uložený v poistkovom puzdre z vysokopevnostného materiálu, odolného voči mechanickému namáhaniu aj tepelným vplyvom.
Puzdro je naplnené chemicky spracovaným vysokopuritným kremičitým pieskom, ktorý v kombinácii so špeciálnymi chemickými látkami účinne tlmí elektrický oblúk vznikajúci pri rozpojení obvodu. Konce poistky sú bodovo zvárané a pevne spojené s kontaktmi, čo zaisťuje dlhodobú stabilitu, nízky prechodový odpor a bezpečnú prevádzku aj pri náročných podmienkach fotovoltických inštalácií.

Prepäťová ochrana T1+T2
Prepäťová ochrana v dvojstringovom DC Boxe ATK-DC02 je určená pre jednosmerné fotovoltické systémy s menovitým pracovným napätím až 1000 V DC. Spoľahlivo chráni FV panely, meniče a ďalšie komponenty pred impulznými prepätiami spôsobenými bleskovými výbojmi alebo spínacími špičkami.
- Trieda T1 zabezpečuje odolnosť voči priamym alebo blízkym úderom blesku s veľmi vysokou energiou
- Trieda T2 chráni systém pred častejšími spínacími prepätiami a vzdialenými výbojmi.
- V kombinácii poskytujú komplexnú a dlhodobú ochranu pre celý FV systém.
Ochrana sa vyznačuje vysokou vybíjacou kapacitou až 40 kA (8/20 μs), krátkym časom odozvy 25 ns a nízkou úrovňou ochrany len 1,8 kV. Vďaka širokému rozsahu pracovných teplôt od –40 °C do +85 °C je vhodná na dlhodobú a spoľahlivú prevádzku aj v náročných podmienkach.

Odolný dizajn pre exteriér, rýchla a úsporná inštalácia
Vďaka robustnej konštrukcii a triede krytia IP65 je zariadenie spoľahlivo chránené proti prachu, vlhkosti a striekajúcej vode, čo umožňuje jeho bezproblémové použitie aj v náročných exteriérových podmienkach.
Vďaka intuitívnemu zapojeniu a prehľadnému vnútornému usporiadaniu je zariadenie vhodné pre profesionálne aj domáce fotovoltické inštalácie.
Obsah balenia:
- 1× ANTIK DC Box Dvojstringový ATK-DC02
- 1× Originálne balenie s označením produktu
Technické parametre:
- Rozmery: 201 × 202 × 120 mm
- Hmotnosť: 2,2 kg
- Trieda ochrany: IP65

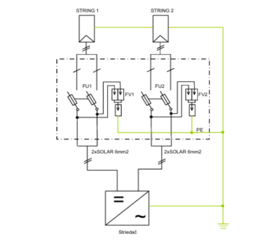
Jednopólová schéma zapojenia DC boxu
Jednopólová schéma zapojenia DC Boxu ATK-DC02 znázorňuje pripojenie dvoch FV stringov do spoločnej rozvodnej skrinky. Každý string je vybavený vlastnou poistkou (FU1 a FU2), ktorá chráni obvod pred nadprúdom alebo skratom, a prepäťovou ochranou (FV1 a FV2) typu T1/T2, ktorá účinne odvádza prepätia spôsobené údermi blesku alebo spínacími špičkami do zeme cez ochranný vodič PE.
Z každého stringu následne vedú výstupné vodiče 2×SOLAR 6 mm² do striedača, kde sa jednosmerný prúd premieňa na striedavý. Toto zapojenie zaisťuje nezávislú a spoľahlivú ochranu pre oba stringy a prispieva k dlhodobej stabilite celého fotovoltického systému.

Obsah balenia a technické informácie
Vďaka intuitívnemu zapojeniu a prehľadnému vnútornému usporiadaniu je zariadenie vhodné pre profesionálne aj domáce fotovoltické inštalácie.
Obsah balenia:
- 1× ANTIK DC rozvádzač (dvojstringový)
- 1× Originálne balenie s označením produktu
Technické informácie:
– Záruka: 2 roky
– Rozmery: 201 × 202 × 120 mm
– Hmotnosť: 2,2 kg
Časté otázky: ANTIK DC box dvojstringový ATK-DC02
Na čo slúži ANTIK DC BOX 2?
ANTIK DC BOX 2 chráni fotovoltické panely, meniče a ďalšie komponenty pred nadprúdom a prepätiami. Zabezpečuje bezpečnú prevádzku systému, predlžuje jeho životnosť a minimalizuje riziko porúch.
Aký typ prepäťovej ochrany obsahuje?
Box je vybavený prepäťovou ochranou typu T1+T2 značky Phoenix, ktorá kombinuje ochranu proti priamym aj nepriamym bleskovým výbojom a spínacím prepätiam.
Je vhodný len pre jednosmerné zapojenia?
Áno, ANTIK DC BOX 2 je určený pre jednosmerné FV systémy s pracovným napätím do 1000 V DC.
Koľko stringov dokáže chrániť?
Tento model je navrhnutý pre dva stringy fotovoltických panelov, pričom každý má vlastnú poistku aj prepäťovú ochranu.
Vyžaduje si údržbu?
Zariadenie je navrhnuté na bezúdržbovú prevádzku. Odporúča sa však pravidelná vizuálna kontrola pri servisných prehliadkach FV systému, aby sa overil stav poistiek a prepäťovej ochrany.
Máte otázku ohľadom konkrétneho produktu, jeho funkcií, technických parametrov alebo možností automatizácie vo vašej domácnosti? Sme tu pre vás a radi vám pomôžeme s výberom vhodného riešenia či vysvetlením nastavení.
Napíšte nám na predaj@antik.sk a náš tím odborníkov vám odpovie v čo najkratšom čase. Vaša spokojnosť a správne fungovanie zariadení sú pre nás prioritou.