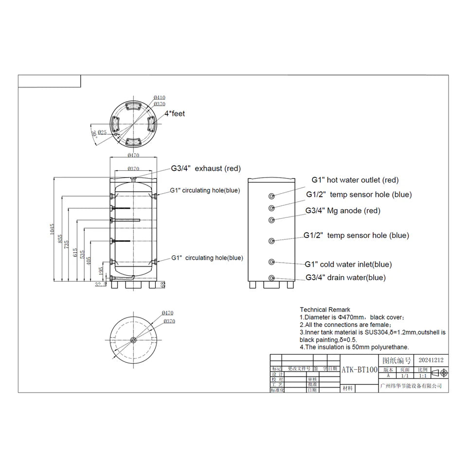
ATKBT-100 vyrovnávacia nádrž
Priemer:470mm
Výška:1170mm
Materiál:SU304
Objem:100l
Max. prevádzkový tlak:6bar
Max. prevádzková teplota:90°C
100l vyrovnávacia nádrž - kvalitná nerezová nádrž určená pre stabilizáciu chodu tepelného čerpadla. Umožňuje nastaviť inú obehovú rýchlosť vody v kúrení oproti tomu akú si nastavuje tepelné čerpadlo a zároveň zvyšuje objem vody v kúrení čo znižuje počet štartov tepelného čerpadla. Nádrž neobsahuje výmenník.
- ⇩
Vyrovnávacia nádrž pre stabilný chod tepelného čerpadla
Vyrovnávacia nádrž kúrenia - kvalitná nerezová nádrž určená pre stabilizáciu chodu tepelného čerpadla.
Umožňuje nastaviť inú obehovú rýchlosť vody v kúrení oproti tomu akú si nastavuje tepelné čerpadlo a zároveň zvyšuje objem vody v kúrení čo znižuje počet štartov tepelného čerpadla.
Pri starších systémoch kúrenia a väčších domoch môžeme doporučiť po obhliadke aj väčšiu akumulačnú nádrž.
Technická špecifikácia
Parametre
Priemer: 470mm
Výška: 1170mm
Materiál: SU304
Objem: 100l
Max. prevádzkový tlak: 6bar
Max. prevádzková teplota: 90°C










